Teoria generării unui semnal dreptunghiular
De ceva vreme încerc sa realizez un circuit generator de ultrasunete. Din păcate încă nu funcționează și am început sa studiez un pic cum funcționează cipul NE555. E bine sa te întorci la studiu în momentul în care nu merge nimic. Am început inginerește cu datasheet-ul (adică fisa de catalog :) ).
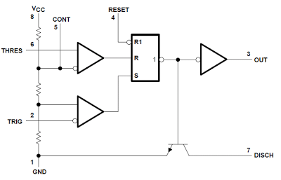
Schema bloc arată în felul următor:
Schema funcțională
Și o schemăa funcțională folosind cipul NE555 arată cam asa:
Detalii
Explicația din punct de vedere electronic a circuitului de mai sus este următoarea:
O perioadă începe în momentul în care "tr" (trigger input) coboară mai jos de 1/3 din Vin sau 3.33V. Când acest lucru se întâmplă cipul NE555 va avea la ieșire "HIGH" și așteaptă ca "th" (threshold input) să ajungă 2/3 din Vin sau 6.67 V. Atunci când condensatorul se va descărca în sens invers, semnalul de pe "th" va creşte până la nivelul corespunzător. Apoi intervalul se va termina, ieșirea va returna "LOW" și condensatorul se va descarca prin "dis".
Când condensatorul se descărcă integral atunci "tr" ajunge la 3.33 V, și perioada va reîncepe. În final o sa avem o forma de undă dreptunghiulara.
Am înțeles cât de cât. Pare destul de simplu. O sa ajustez rezistorii si condensatorul sa obtin frecventa dorita de 30 KHz dupa formula de mai jos:
f = 1.44/(C1(R1+2R2))
Documentație
- http://www.datasheetcatalog.org/datasheet/texasinstruments/ne555.pdf
- http://www.falstad.com
- http://cecs.wright.edu/~dkender/bme460/RectangularWaveGenerators.pdf