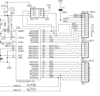
M-am tot lovit de chestia asta cu corespondența între pini de pe Atmega168 și Arduino board și am decis să postez pinii pentru o identificare cât mai ușoară.
Pinii de la Arduino:
Pini de la Atmega168P:
Acum nu mai tre' sa caut prin datasheet , doar ma uit pe postarea asta :) bună idee, nu ?
O seara faină tuturor.
Pinii de la Arduino:
Pini de la Atmega168P:
Acum nu mai tre' sa caut prin datasheet , doar ma uit pe postarea asta :) bună idee, nu ?
O seara faină tuturor.


